Le romantisme d’une baignoire à pieds de lion.
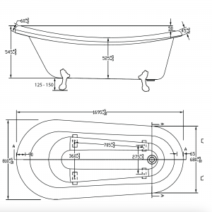
Dimensions : L1695 x P810 x H665/605 mm
Volume : 240 litres
Poids : 38 Kg Profondeur d’eau jusqu’au rebord 525 mm
Matériau : acrylique épaisseur 3,2 mm 4 pieds chromés réglables
Finition : blanc brillant